

普瑞斯精密交叉圆柱滚子轴承内部结构采用滚子呈90°相互垂直交叉排列,结构紧凑,可同时承受径向载荷、双向推力载荷以及倾覆力矩。同时具有高刚性,所以适用于工业用机器人的关节部位或旋转部位、机械加工中心的旋转工作台、机械手旋转部位、精密旋转工作台、医疗机器、计量器、IC制造装置等设备。
普瑞斯精密交叉圆柱滚子轴承有带保持架、带间隔保持器和满装滚子三种结构形式,其中带保持架、带间隔保持器的适用于摩擦力矩小转速高的工况,满装滚子的适用于低速重载的工况。
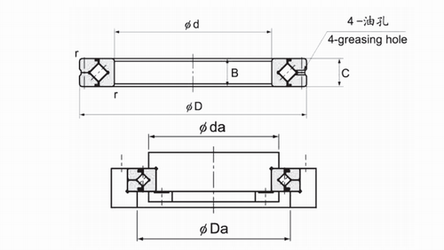
CRB系列是外圈是可分离,内圏一体设计,不带保持架满装交叉圆柱滚子轴承.话用于要求内圏旋转精度高和重载的部位。CRB系列有CRB(开式)和CRB...UU(双面端密封)两种结构类型。







