
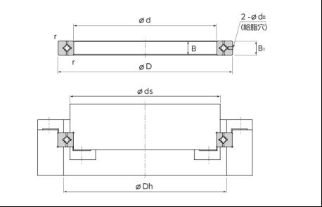
公称型号 | 基本尺寸 | 肩部尺寸 | 基本额定负荷 | 重量 | 公称型号 | |||||||
内径 | 外径 | 节圆 | 宽度 | 油孔 | 倒角 | ds | Dh | C | Co | kg | ||
RAU 1005 | 10 | 21 | 14.7 | 5 | 1 | 0.15 | 12.5 | 17 | 1.12 | 0.8 | 0.009 | RAU 1005 |
RAU 1505 | 15 | 26 | 19.7 | 5 | 1 | 0.15 | 17.5 | 22 | 1.32 | 1.1 | 0.012 | RAU 1505 |
RAU 2005 | 20 | 31 | 24.7 | 5 | 1 | 0.15 | 22.5 | 27 | 1.49 | 1.4 | 0.015 | RAU 2005 |
RAU 3005 | 30 | 41 | 34.7 | 5 | 1 | 0.15 | 32.5 | 37 | 1.89 | 2.14 | 0.021 | RAU 3005 |
RAU 4005 | 40 | 51 | 44.7 | 5 | 1 | 0.15 | 42.5 | 47 | 2.14 | 2.74 | 0.027 | RAU 4005 |
RAU 5005 | 50 | 61 | 54.7 | 5 | 1 | 0.15 | 52.5 | 57 | 2.43 | 3.49 | 0.032 | RAU 5005 |
RAU 6005 | 60 | 71 | 64.7 | 5 | 1 | 0.15 | 62.5 | 67 | 2.63 | 4.09 | 0.038 | RAU 6005 |
RAU 7005 | 70 | 81 | 74.7 | 5 | 1 | 0.15 | 72.5 | 77 | 2.81 | 4.68 | 0.044 | RAU 7005 |
RAU 8005 | 80 | 91 | 84.7 | 5 | 1 | 0.15 | 82.5 | 87 | 3.05 | 5.43 | 0.050 | RAU 8005 |
RAU 9005 | 90 | 101 | 94.7 | 5 | 1 | 0.15 | 92.5 | 97 | 3.19 | 6.03 | 0.056 | RAU 9005 |
RAU 10005 | 100 | 111 | 104.7 | 5 | 1 | 0.15 | 102.5 | 107 | 3.37 | 6.63 | 0.061 | RAU 10005 |




