
简介:
谐波减速器机器人轴承是刚性轴承,是一种具有特殊安装形式的交叉圆柱滚子轴承。
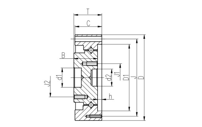
谐波减速器工业机器人轴承CSD型(外圈整体、内圈整体)
外圈和内圈均为整体结构,外径尺寸和CSG型相同,比CSG型轴承具有更高的刚性,主要应用在CSD系列减速器输出部位。
| 外形尺寸 | |||||||
| 轴承型号 | d1 | d2 | D | T | C | B | h |
| (单位:mm) | |||||||
| CSD—14 | 12 | 11 | 55 | 16.6 | 16.1 | 13.9 | 2.7 |
| CSD—17 | 14 | 11 | 62 | 16.6 | 16.1 | 13.9 | 2.7 |
| CSD—20 | 18 | 16 | 70 | 18.3 | 17.8 | 15.6 | 2.7 |
| CSD—25 | 24 | 20 | 85 | 23.4 | 22.9 | 20 | 3.4 |
| CSD—32 | 32 | 30 | 112 | 24.5 | 23.5 | 20.9 | 3.6 |
| CSD—40 | 36 | 32 | 126 | 29.1 | 28.1 | 24.6 | 4.5 |
| CSD—50 | 48 | 44 | 157 | 34 | 33 | 29.4 | 4.6 |

| 外圈安装孔 | 内圈安装孔 - | 基本额定载荷 | 质量 | ||||||
| 中心径J | 安装孔尺寸1 | 安装孔尺寸2 (密封反面) | 中心径 J2 | 安装孔尺寸1 (密封正面) | 中心径 J1 | 安装孔尺寸2 (密封反面) | (KN) | (KN) | (KG) |
| 49 | 6-φ3.5 | 3-M2(丝深5) | 25 | 10-M3(丝深7) | 17 | 6-M3(丝深7) | 7 | 9.1 | 0.24 |
| 56 | 10-φ3.5 | 5-M2(丝深5) | 27 | 8-M5(丝深8) | 19.5 | 8-M4(丝深8) | 7.6 | 10.7 | 0.3 |
| 64 | 12-φ3.5 | 4-M2(丝深5) | 34 | 8-M6(丝深9) | 24 | 8-M4(丝深8) | 8.5 | 13.4 | 0.42 |
| 79 | 18-φ3.5 | 6-M2(丝深5) | 42 | 8-M8(丝深12) | 30 | 8-M5(丝深9) | 13.8 | 21.6 | 0.8 |
| 104 | 18-φ4.5 | 6-M3(丝深7) | 57 | 10-M8(丝深12) | 41 | 6-M6(丝深11) | 12.5 | 35.6 | 1.4 |
| 117.5 | 18-φ5.6 | 6-M3(丝深8) | 72 | 10-M10(丝深12) | 48 | 6-M8(丝深11) | 35.5 | 71.2 | 2.1 |
| 147 | 22-φ6.6 | 4-M3(丝深8) | 88 | 10-M12(丝深18) | 62 | 6-M10(丝深18) | 49.5 | 85 | 3.8 |




