产品简介
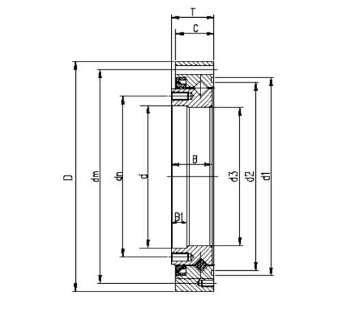
SHF(SHG)系列的谐波减速机输出的刚性交叉滚子轴承。谐波减速机轴承为交叉圆柱滚子结构,根基去使用场合分为外圈分体、
内圈整体和内外圈均是整体两大类。滚动体为圆柱滚子,互成90°垂直排列在V型滚道中。这种结构使得单个轴承就可以同时承受轴向载荷、径向载荷和倾覆力矩等各个方向的载荷,轴承具有很高的刚性、
旋转精度以及复合承载能力;该类轴承外形紧凑,轴承自带有安装孔,便于客户直接安装,适合于各种不同类型的谐波减速机。"




联系人:原经理
手机:135-0379-0601
传真:0379-64595057
地址:河南省洛阳市涧西区天津南路土桥沟村1组1号
乘车路线:可驾车前往
产品简介
SHF(SHG)系列的谐波减速机输出的刚性交叉滚子轴承。谐波减速机轴承为交叉圆柱滚子结构,根基去使用场合分为外圈分体、
内圈整体和内外圈均是整体两大类。滚动体为圆柱滚子,互成90°垂直排列在V型滚道中。这种结构使得单个轴承就可以同时承受轴向载荷、径向载荷和倾覆力矩等各个方向的载荷,轴承具有很高的刚性、
旋转精度以及复合承载能力;该类轴承外形紧凑,轴承自带有安装孔,便于客户直接安装,适合于各种不同类型的谐波减速机。"



